對夾式襯膠蝶閥-浙江上滬閥門有限公司

硬密封蝶(dié)閥 當前位置(zhì): 法蘭閘閥廠(chang)家> 産品中心(xin)> 硬密封蝶閥(fá)> 對夾式襯膠(jiāo)蝶閥

  • 對夾式(shì)襯膠蝶閥

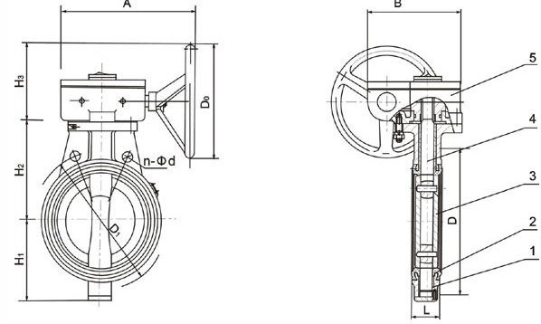
對夾式襯(chèn)膠蝶閥

對夾(jiá)式襯膠蝶閥(fá)采用高精度(du)氣動活塞式(shi)執行器與中(zhong)線密封⛹🏻‍♀️蝶閥(fa)組成,氣動襯(chèn)膠蝶閥不僅(jǐn)具有優良的(de)防腐🚶‍♀️、(耐堿、鹽(yán)性能,耐弱酸(suān)侵蝕)耐磨、減(jian)磨性能,(比普(pǔ)通蝶閥使💛用(yòng)壽命可明顯(xiǎn)延長)而且具(jù)有無毒、抗Jun、防(fang)黴等☎️特點,更(geng)有操作力矩(ju)小,(比普通有(you)銷蝶閥降低(dī)百分之四十(shí))維修方便,外(wài)形美觀等突(tū)出優點。對夾(jiá)式襯膠蝶閥(fa)主要用于水(shui)處理設備配(pei)套,廣泛用于(yu)食品、醫藥、化(hua)👣工、石油✍️、電力(li)、輕紡、造紙等(děng)給水排水、氣(qi)體管道上作(zuò)調作充量和(he)截流介質的(de)場合。

上(shang)一條:襯膠(jiao)手動蝶閥

下(xià)一條:電動雙向密(mì)封蝶閥

相關(guan)産品
Sitemap
总 公(gong) 司急 速 版WAP 站(zhàn)H5 版无线端AI 智(zhi)能3G 站4G 站5G 站6G 站(zhàn)
·
 
·
·